logo

商品の詳細

Created with Pixso. 家へ Created with Pixso. 製品 Created with Pixso.
低電圧の防御装置
Created with Pixso.

頑丈な青銅のハウジング HMIタッチパネル シーザウアームテュール 1250W 11-12110-00

頑丈な青銅のハウジング HMIタッチパネル シーザウアームテュール 1250W 11-12110-00

ブランド名: Emerson
モデル番号: 11〜21〜10〜00
MOQ: 1
価格: 交渉可能
支払条件: L/C,D/A,D/P,T/T,ウェスタンユニオン,マネーグラム
供給能力: ストック
詳細情報
起源の場所:
アメリカ
証明:
CE
パッケージの詳細:
新しいオリジナルボックス
供給の能力:
ストック
製品説明
製品詳細
ブランド: Emerson モデル: 11-12110-00
原産地: 11-12110-00 AC: 120/240/480/600VAC
W: 1250W 梱包: カートン
ハイライト:

hmiディスプレイタッチスクリーン

,

産業用hmiパネル

 

 

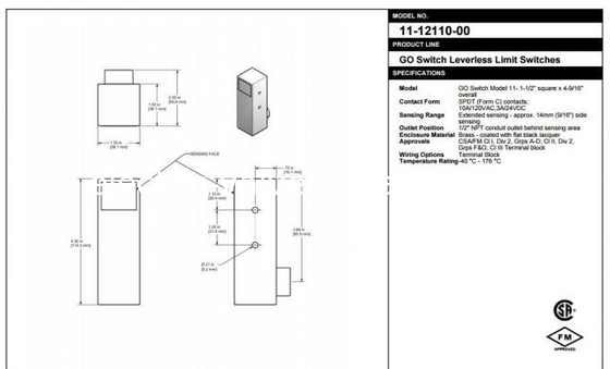
HMIタッチスクリーン Emerson GO SWITCH 11-12110-00 1250W 120/240/480/600VAC 1/2インチ NPT

 

GO Switch Model 11は、堅牢なエンクロージャとグローバルな承認を特徴としています。接点は10アンペア定格です。ステンレス鋼のエンクロージャは、湿気の多い環境や過酷な環境に推奨されます。すべてのスイッチには、ロックワッシャーとナット付きの丸頭取り付けネジが含まれています。オリジナルのレバーレスリミットスイッチであるGO Switch Model 11は、密閉された金フラッシュ接点、非接触センシング、および正方形スイッチ設計でのスナップアクション応答を特徴としています:38mm正方形x 116mm高さ。すべてのGOスイッチと同様に、A / CまたはD / C、N / OまたはN / Cで配線でき、動作に電力を消費せず、電流漏れや電圧降下もありません。

頑丈な真鍮またはステンレス鋼のエンクロージャで利用可能なGO Switch Model 11は、物理的な損傷、湿気、腐食性物質に耐えます。高電流または低電流に適したSPDT 10アンペア接点、標準の10mm側面センシング、最大14mmの拡張センシング、または6mm精密センシングを提供します。ゾーン0、1、または2(Div 1および2)防爆アプリケーションに適しており、最大176°Cの温度に耐え、最大132メートルの潜水が可能です。

Model 11のシンプルな設計、頑丈なエンクロージャ、長いセンシング範囲、配線の柔軟性、およびグローバルな承認により、信頼性の高い位置センシングが必要な場所に最適です。

利点:

  • 頑丈な真鍮またはステンレス鋼のハウジングは、物理的な損傷、湿気、爆発性、腐食性環境に耐えます。
  • シーソーアーマチュアは、スナップアクションと確実な接点圧力を提供し、高振動アプリケーションでの「接点ティーシング」と「接点チャタリング」を排除します。
  • ヘビーデューティSPDT接点定格10アンペア/ 120VAC、3アンペア/ 24VDC、.5アンペア/ 125VDC
  • 標準温度-40°C〜105°C、高温オプション176°C
  • ゾーン0、1、または2(Division 1および2)防爆アプリケーションに適しています
  • 世界で唯一の防爆近接スイッチ定格10アンペア

 

 

磁気センサー:センサータイプ-誘導磁気センサー;アプリケーション-強磁性金属センシング;ハウジング-取り付けスタイル-ブロック;センシング位置-側面;ワイヤ-3W;出力モード-SPDT;材質-ハウジング-真鍮、黒ラッカー;接続タイプ-コンジットアウトレット;接続サイズ-1/2インチNPT;エンクロージャ定格-クラス1、Div。2;動作温度- -40〜177度C -40〜350度F;追加情報-センシング距離:14 mm。ターゲットマグネット付き:95 mm(含まれていません);メーカーシリーズ-GO Switch 10シリーズ

 

追加情報:センシング距離:14 mm。ターゲットマグネット付き:95 mm(含まれていません)

 

頑丈な青銅のハウジング HMIタッチパネル シーザウアームテュール 1250W 11-12110-00 0

 

仕様:

センサータイプ: 磁気センサー
アプリケーション: 強磁性金属センシング
ハウジング-取り付けスタイル: ブロック
センシング位置: 側面
ワイヤ: 3W
出力モード: SPDT
材質-ハウジング: 真鍮、黒ラッカー
接続タイプ: コンジットアウトレット
接続サイズ: 1/2インチNPT
エンクロージャ定格: クラス1、Div。2
動作温度: -40〜177度C(-40〜350度F)

 

 

類似モデル:

81-20546-A2 81-20516-A2
7E-33658-DCA 7G-13529-B3
73-1352T-A2 73-13523-A2
73-13524-A2 11-11524-A2